Разобрать стиральную машину Samsung для извлечения барабана гораздо проще, если соблюсти строгую последовательность действий:
Как разобрать стиральную машину Samsung
Правильный уход за стиральной машиной сможет значительно продлить срок ее службы, поэтому следует уделять внимание регулярной очистке устройства после завершения стирки:
- Не забудьте тщательно протереть дверь и уплотнение, так как на них могут скапливаться остатки порошка и грязи.
- Оставляйте дверцу машины немного приоткрытой, а пылесборник выдвинутым, чтобы влага могла испариться, и поверхности успели высохнуть.
- Перед любой манипуляцией обязательно отключайте прибор от сети, чтобы избежать возможных неисправностей из-за перепадов напряжения.
Регулярное очищение фильтра поддона поглощения капель также поможет избежать проблем с функционированием устройства. Кроме того, если стиральная машина начинает трястись во время отжима, можно снизить вибрацию, подложив под нее резиновый коврик.
Стиральные машины Samsung зарекомендовали себя как надежные помощники в быту. При соблюдении правильных требований к эксплуатации они способны служить долго. Эти устройства предлагают все необходимые функции для достижения превосходных результатов стирки. Сортировка одежды, правильная доза стирального порошка и выбор подходящей программы — это основные аспекты, которые помогут вашему гардеробу дольше сохранять свой качественный вид.
Система управления и принцип работы агрегата
Типичный процесс стирки делится на несколько этапов, которые контролируются электронным блоком управления. Функции машины выполняются согласно следующему порядку:
- Процесс стирки начинается с закрытия дверцы и заполнения бака водой. Этот этап активируется прессостатом (это реле и датчик), а уровень воды контролируется в процессе наполнения.
- Электронагреватель разогревает воду до заданной температуры в соответствии с выбранной программой. На это влияет микропроцессор, который также определяет длительность стирки в зависимости от программного выбора.
- Двигатель вращает барабан, что инициирует механизмы моющего процесса. Фазосдвигающий конденсатор поддерживает функционирование асинхронного двигателя. Инверторный двигатель управляется преобразователем частоты. В стандартных моделях двигатель обычно располагается под баком, тогда как в версиях с прямым приводом — за барабаном. Программа стирки задает количество оборотов и продолжительность. Ключевым фактором в стабильной работе двигателя является направление намотки. Для решения проблем с вращением барабана достаточно изменить направление намотки, информации о которой вы можете найти в интернете.
- Вода попадает в отсек для порошка и других моющих средств, затем смывает их и подает в бак для стирки.
- Во время вращения барабан начинает вращаться с максимальной скоростью. Эта скорость наращивается постепенно, создавая центробежную силу, которая эффективно выталкивает воду наружу.
- По завершении выбранной программы происходит разблокировка дверного замка. Замок двери обеспечивает герметичность резервуара. В данном процессе могут участвовать термические замки, работающие на основе биметаллической пластины; нагрев этой пластины приводит к замыканию контактов. Также есть возможность разблокировать дверь во время стирки, нажав кнопку паузы, что даст возможность добавить воду для загрузки.
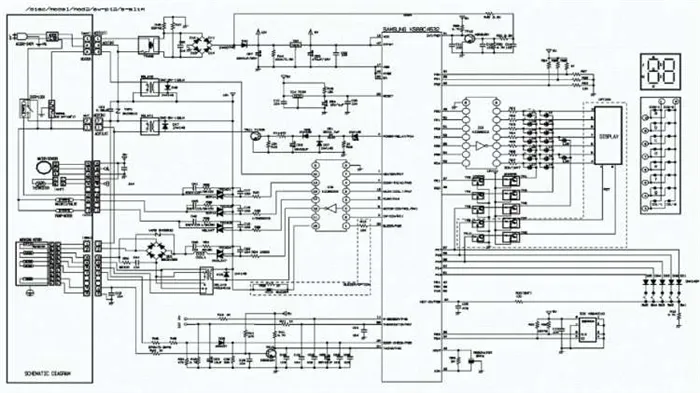
Электрическая схема блока управления стиральных машин Samsung, Ariston, Indesit или других известных брендов помогает понять последовательность подключения компонентов системы и предназначение каждого из элементов. Падения напряжения в сети могут привести к необходимости проведения ремонта, который начинается с диагностики неполадок.
Подготовка к разборке машинки
Прежде чем впервые использовать стиральную машину, важно выполнить несколько подготовительных шагов:
- Проверьте качество подключения: вставьте резиновый шланг в водозаборник, а сливной шланг подключите к сифон или дренаж.
- Не забудьте выкрутить транспортировочные винты, которые находятся на задней стороне устройства. Игнорирование этого пункта может привести к сильной вибрации корпуса во время работы стиральной машины.
Отверстия от транспортировочных болтов обязательно нужно закрывать специальными заглушками, которые обычно идут в комплекте с устройством.
Также проверьте, правильно ли выровнена стиральная машина: поочередно нажимайте на углы корпуса; если устройство стоит на ровной и твердой поверхности, оно не будет шатающимся, и его будет сложно сдвинуть с места.
Во-вторых, стоит отметить оригинальный замысел барабана. Современные модели стиральных машин Samsung оснащены высокоэффективными алмазными барабанами.
Схема стиральной машины Samsung
Электрическая схема становится руководством для ремонта, если вы понимаете, как ее читать. В то время как опытному мастеру может понадобиться около двух часов на работу с этой системой, новичку обычно требуется гораздо больше времени, поскольку сначала нужно понять значение каждой буквы и ее назначение.

Без диагностической проверки оказывается весьма затруднительно определить неисправность вашей стиральной машины.
Когда в устройстве возникает неисправность, она связывается с блоком управления, и на дисплее появляется буква и номер, относящиеся к проблеме. Для этого существует специальная схема.

Только квалифицированный техник сможет оперативно отремонтировать стиральную машину-сушилку.
Заключение кодов ошибок выглядит следующим образом:
- E1 — проблема с водоснабжением. Проверьте правильность подключения к системе, обратите внимание на реле и EC (электронный контроллер).
- E2 — проблема с отводом воды. Возможно, это связано с засорением, поломкой реле или искривленными трубами.
- E3 — переполнение резервуара. Наиболее вероятно, что неисправен реле.
- dE — либо присутствуют проблемы с системой блокировки, либо заслонка закрыта неправильно.
- E4 — дисбаланс в барабане.
- E5, E6 — неисправность в нагревательном элементе. Проверьте его состояние и убедитесь в исправности резистора; при необходимости осуществите замену.
- E7 — повреждено реле.
- E8 — температура воды не соответствует той, что выбрана в программе.
С более сложными вопросами, такими как замена деталей или их ремонт, успешно справится опытный оператор стиральной машины. Попробовать выполнить все самостоятельно, особенно новичку, не рекомендуется.

Бак стиральной машины закрепляется с помощью винтов, которые можно открутить.
Ремонт стиральной машины (+самые частые поломки)
Сначала необходимо разобраться в причинах неисправности и удостовериться в самом характере поломки.

Наиболее частые неисправности включают:
- Неисправность нагревательного элемента. Чаще всего поломка связана с перепадами напряжения и некачественным состоянием воды. Проблемы могут возникнуть в соединениях между нагревателем и датчиком температуры. Если в воде слишком много солей, это может повредить датчик; если произойдет короткое замыкание в контакте нагревательного элемента, они также могут сгореть.
- Неисправен автоматический водонагреватель. Это может произойти из-за износа приводного ремня, что ведет к прерыванию процесса стирки, так как барабан перестает вращаться. Рекомендуется заменять только оригинальный ремень.
- Проблема с впускным клапаном. Если шланг изношен, это может привести к попаданию воды в бак. Хуже всего, если клапан забит, тогда вода не попадает в машину вообще.
- Проблема с подшипниками.
- Засорение дренажного насоса.
- Неисправности сливного насоса.
Отдельно стоит упомянуть детали, касаемые электроники, однако стоит подчеркнуть, что продукция бренда отличается высоким качеством, и сбои в работе электрики или проводки случаются крайне редко и требуют тщательной диагностики.

Если стиральная машина с горизонтальной загрузкой не нагревает воду, соблюдайте следующие меры:
- Обязанность соблюдать меры предосторожности — выполним отсоединение машины от электросети. Ослабьте крепежные винты на верхней панели и снимите эту панель.
- Выкрутите винты из передней панели, ослабьте крепежи и выкрутите все винты блока. Не забудьте также открутить винты, расположенные за желобом.
- Снимите нижнюю панель.
- Отсоедините воротник дверцы: сдвиньте в сторону, приподнимите его (металлический хомут) и вытащите.
- Вставьте воротник в исходное положение.
- Чтобы правильно снять переднюю панель стиральной машины: открутите винты, которые фиксируют дверцу, и отсоедините провода.
- В нижней части вы будете видеть нагревательный элемент.
- Отсоедините провода от нагревательного элемента.
- Не откручивайте центральную гайку полностью.
- Для вытащения ТЭНа сожмите центральный винт.
- Вытащите термостат.
Сборка устройства выполняется в обратном порядке. Однако при моделях с вертикальной загрузкой порядок будет несколько иным.
- Подготовка рабочего пространства. Следует подготовить инструменты, обязательный элемент — смартфон, чтобы следить за процессом или делать фотографии.
- Снимите панель управления. Все автоматические машинки с вертикальной загрузкой, такие как “Индезит” или “Атлант”, требуют учета их конструктивных особенностей. В некоторых случаях необходимо открутить винты по бокам и сзади, в других случай — просто снять защелки.
- Отложите панель в сторону. Если булавки на ней мешают, зафиксируйте место с помощью фотографий.
- Крепежные винты находятся с обратной стороны блока.
- Открутите их и снимите завершение. В некоторых случаях необходимо демонтировать боковую панель, чтобы освободить замок дверцы.
- Демонтируйте заливное отверстие. Ослабьте хомуты, отключите шланги, отсоедините кабели, нажмите на замок и вытащите клапан.
- Сторонние стенки зафиксированы саморезами — открутите их.
- Сложите все панели и уберите их в безопасное место.
- Теперь у вас открыт доступ к фасаду. Для демонтажа панели открутите соответствующие винты.
- Теперь у вас есть доступ к агрегатам, можно отсоединить провода, подключенные к баку.
- Чтобы заменить подшипники, следует осуществить работу на месте, ведь бак снимать не потребуется.
- Снимите приводной ремень с шкива.
- Чтобы получить доступ к нагревательному элементу, отключите его питание, открутите гайку и сожмите центральный винт.
- Снимите двигатель, отвинтив контактные соединения и крепежные болты.
- Отключите сливной насос: ослабьте шланг и хомут с помощью разводного ключа. Затем удалите его.
- Поверните насос в противоположном направлении часовой стрелке, чтобы открутить болты.
Как разобрать стиральную машину Samsung
Работы по разборке стиральной машины можно проводить самостоятельно, за исключением сложности с заменой нагревательного элемента.

Используйте инструкции, описывающие процесс сборки и разборки стиральной машины, чтобы облегчить работу.
С их помощью вы сможете:
- Снять крышку с нижней части аппарата, где находятся необходимые элементы, такие как шнур и шланг. Шланг нужен для аварийного слива воды, а штекер предназначен для очистки системы слива.
- Для снятия схемы управления необходимо открутить два винта и ослабить защелку.
- Снять электрический модуль (на внутренней стороне панели управления) можно, открутив три самореза на передней панели.
- Чтобы снять переднюю панель, необходимо открутить четыре самореза на нижней кромке.
- Бак надежно соединен с корпусом при помощи амортизаторов и пружин.
- Под баком располагается электродвигатель.
Подготовительный этап
Комфорт и качество демонтажа стиральной машины зависят от тщательной подготовки.

Следуйте правилам безопасности, чтобы успешно провести ремонт стиральной машины. Используйте следующие пункты, не пропуская ни один:
- Обязательно отключите устройство от сети.
- Слейте воду из бака и кранов.
- Подготовьте необходимые инструменты.
- Выберите светлое и свободное место для работы, чтобы у вас было удобно перемещаться вокруг машины.
Для ремонта стиральной машины Samsung своими руками не понадобятся специальные инструменты — достаточно использовать то, что уже есть у вас дома. Однако имейте в запасе специальный спрей WD-40, который поможет в удалении затвердевших герметиков и сильно закрученных болтов. Не забывайте про смартфон: он не только поможет вам следить за выполнением следующих шагов, но и удобно запечатлеть на фото весь процесс.

Демонтируйте машину аккуратно и обязательно запоминайте все шаги разборки. Сделанные фотографии будут полезны при сборке.
Выявление неисправностей
Ошибки могут проявляться разными способами и часто отображаются на экране в виде специального кода, как описано в начале статьи. Существует два типа машин: с дисплеем и без него.

Процесс разборки стиральной машины Samsung требует аккуратности на каждом этапе.
Для машин без дисплея возникшие проблемы отображаются с помощью загорания индикаторов:
- Индикатор нижней температуры свечется вместе с одновременно другими индикаторами режима стирки. Проблема: нет поступления воды.
- Светит 2-й индикатор нижней температуры плюс те же индикаторы для всех степеней сложности — указывает на отсутствие сброса воды.
- Все индикаторы режима стирки и оба индикатора нижней температуры горят. Причина: слишком много воды в баке.
- Все индикаторы режима стирки светятся, а 2 индикатора температуры (в промежуточной позиции) также игнорируются. Это указывает на проблемы с подогревом воды.
- Все индикаторы в режиме стирки и верхний индикатор вместе с 2 нижними температурными режимами включены — проблема с кнопками.
- Все индикаторы режима стирки и два верхних температурных датчика включены вместе. Указание: нет сигнала от температурного датчика.
Количество программ, доступных для стирки, зависит от модели устройства. Даже простейшие модели обладают полноценным набором программ, а более современные имеют режим стирки ECO Bubble — пузырьковая технология упрощает стирку даже в холодной воде.
Как заменить подшипник в стиральной машине Samsung: советы экспертов
С течением времени приходят новые технологии, и на полках магазинов появляются интересные новинки, которые заставляют задуматься о быстром развитии прогресса. Однако, если углубиться в техническую часть, становится ясно, что основные элементы не меняются, они лишь современнизируются. Стиральные машины не исключение — их конструкции практически остались прежними на протяжении многих лет. Если у вас есть опыт работы с одной моделью, вы сможете управиться и с другими. Как же заменить подшипник в стиральной машине Samsung? Процесс довольно сложный и потребует почти полного разбора устройства. Поэтому внимательно ознакомьтесь с инструкцией и посмотрите на прилагаемые фотографии.
Samsung — один из самых известных производителей стиральных машин в мире. Конкуренцию этому бренду составляет, пожалуй, только LG. Это и приводит к тому, что очень многие люди являются владельцами стиральных машин данной марки, и, соответственно, растет спрос на информацию о ремонте в интернете.
На примере модели S1052 рассмотрим замену подшипников сегодня. Эта машина была выпущена в 2009-2010 годах, что сегодня делает ее объектом массового ремонта. Как уже упоминалось, конструкция устройства практически не отличается от современных моделей, поэтому информация будет актуальна в большинстве случаев.

Подшипник — это деталь, подверженная частым поломкам, так как представляет собой механический элемент, который постоянно находится под нагрузкой. Их не ремонтируют, а заменяют. Поэтому первое, что к вам понадобится для данной задачи, так это специальный набор для ремонта, который включает в себя:
- Роликовый подшипник.
- Смазку — специальную смесь, которую нельзя заменять другими материалами.
- Дополнительные элементы, включенные в набор.
Аксессуары могут варьироваться по размеру и форме, и крайне важно выбирать подходящие именно для вашей модели. Каждый ремонтный комплект маркируется для легкости идентификации. На следующем рисунке представлена таблица номеров деталей для некоторых моделей стиральных машин.

Если вы не нашли свою модель среди предложенных, продолжите поиск в интернете и возвращайтесь за информацией о замене.
Таблица 1. Набор инструментов будет включать:




Также вам понадобятся металлическая трубка или штифт, шприц для смазки и плоскогубцы.
Снятие бака
Теперь, когда мы готовы, можем приступить к работе. Чтобы добраться до подшипника, сначала нужно снять бак, освободив его от деталей, удерживающих его на месте. В этой главе мы пройдем весь процесс разборки шаг за шагом.
Совет. Прежде чем начать ремонт, отключите прибор от электрической сети для предотвращения поражения током.
Шаг 1 – снятие верхней крышки
Конструкция стиральной машины включает соединения не только капиллярными винтами и саморезами, но также специальными замками и металлическими язычками. Поэтому разборка и сборка происходят в одинаковом порядке. Да, подшипник можно заменить и другими способами, но мы выбрали наиболее оптимизированный.

Разборка начинается со снятия верхней крышки, которая крепится двумя саморезами на задней стороне. С помощью крестовой отвертки открутите их.
Совет: Чтобы не перепутать детали, рекомендуется сортировать их и, если возможно, маркировать, чтобы избежать путаницы при сборке.
Затем сдвиньте крышку назад и освободите её от крепления к передней панели. Положите крышку в безопасное место, чтобы она не мешала дальнейшим действиям.
Шаг 2 – снятие порошкоприемника
Далее заболтаемся с верхней передней панелью, на которой расположена печатная плата, выполняющая роль «мозга» стиральной машины. Сначала вам нужно снять порошкоприемник — это движущийся элемент, который необходимо вытащить для добавления моюще средства. Вытяните его полностью, найдите пластиковый рычаг, который находится внизу, нажмите на него и потяните деталь на себя. Вытащить порошкоприемник легко, не применяйте чрезмерных усилий, чтобы не повредить механизм.

Шаг 3 – откручивание панели
Теперь открутите два самореза, которые находятся за порошкоприемником. Они обозначены на рисунке красными стрелками.

Открутите крепления, и на другой стороне есть еще один винт, который также нужно удалить.

Шаг 4 – снятие верхней панели
Потяните за нижний край верхней панели, чтобы освободить ее от верхних защелок, которые прикреплены к металлическому корпусу. Затем осторожно переверните панель и убедитесь, что она не стесняется движений. На задней стороне вы увидите несколько проводов, которые соединены штекерами — в данном случае их окажется 5. Отсоедините их по одному, помня, где какой, чтобы не перепутать при сборке. У них есть фиксирующие формы и цветовая маркировка, что упростит задачу.

Шаг 5 – снятие нижней панели
Теперь вам нужно снять опорную плиту, которая крепится всего тремя саморезами. Вам будет удобно работать, если бак будет находиться на полу — это даст возможность ощутимо упростить процесс. Чтобы снять панель, используйте плоскую отвертку, аккуратно вставив ее в зазор между передней и нижней панелями и немного поддеть крепление. Действуйте аналогично по краям и в середине, а затем уберите часть в сторону.
Замена подшипников
Итак, мы сняли бак, и можно продолжить с заменой подшипников на новые.
Шаг 1 – снятие ремня передачи
Переверните бак и посмотрите на приводной ремень, который помещен между шкивами электродвигателя и барабана. Чтобы иметь возможность добраться до подшипника, который находится внутри бака, необходимо сначала удалить приводной ремень. Начните с его вытягивания, чтобы ослабить натяжение, затем поверните его, и он легко освободится.

Шаг 2 – снятие мотора и амортизаторов
После этого ослабьте винты, фиксирующие двигатель и амортизаторы. Эти детали нужно снять, потому что они мешают отделению резервуара. Удобнее всего работать, когда бак находится на полу и двигатель перевернут.

Двигатель соединен только одним винтом. Снимите его, аккуратно потяните блок на себя — другой конец находится на болте.
Шаг 3 – снятие пружин с бака
С верхней части бака снимаются крышки, которые фиксируются с помощью металлических пружин. Их просто убрать, если поддеть плоской отверткой или легким молотком, поднимая, пока пружина не освободится. После крепления всех деталей, просто запустите их обратно на место.

Теперь можно удалить резервуар, в котором находится барабан, и нагреватель, которые прикреплены к другим участкам. Далее переходим к задней стороне.
Шаг 4 – откручивание шкива
Теперь устанавливаем бак на верхнюю часть барабана. На этом этапе ясно, что шкив прикреплен к нему. Зажимаем барабан ногой, чтобы он не проворачивался, вставляем ключ и с помощью коротких резких движений откручиваем винт, а когда он свободный, просто поворачиваем его против часовой стрелки.

После этого снимите шкив, под которым находится вал. Чтобы вытащить его из подшипника, может понадобиться молоток, поскольку посадка очень плотная. Постарайтесь вбить его как можно больше и слегка ударить по нему, чтобы предотвратить прокручивание вала.
Совет: Если вал не поддается, замените винт с гайкой на винт стороннего производства, чтобы не повредить его голову.
Теперь снимите вал, выкрутите винт и отделите заднюю крышку бака от барабана. На следующем изображении видно, что сальник заполняется шламом. Ниже сальника находятся подшипники, и мы почти достигли их. Временно отложите деталь и тщательно осмотрите ось, так как это будет определять, функционирует ли новый подшипник корректно.

Первое обращение должно быть к оси под подшипником: специалист сможет легко заметить износ, но новичку может быть сложно провести визуальную проверку. Убедитесь, что вал не изношен в районе подшипника. Если так, возможно, подшипник начнет вращаться. Это крайне недопустимо. Поломки в подшипниках вызывают износ вала. Поэтому крайне важно выполнять исправления на раннем этапе, чтобы не усложнять ситуацию впоследствии.
Такой дизайн барабана позволяет обеспечивать мягкую стирку. Эти барабаны могут быть достаточно вместительными и удерживать до 12 кг грузов, в зависимости от моделей.
Видео
Дополнительно изучите процесс разборки стиральной машины Samsung в видеоматериале ниже.
Автор статьи окончил физико-математическую школу и школу изящных искусств. У него есть степень по экономике с акцентом на управлении инновациями. Он работает фрилансером, женат и наслаждается путешествиями. Интересуется буддийской философией, увлекается трансерфингом и средиземноморской кухней.
Вы заметили ошибку? Выделите текст с помощью мыши и нажмите правую кнопку мыши:
Золотые и серебряные нити, использующиеся для вышивки одежды, возникли в технике, известной как коклюшечное кружево. Изготовление таких нитей включало вытягивание тонкой металлической проволоки плоскогубцами до необходимой степени. Именно оттуда и пошла метафора «tugging», обозначающая «нудную и монотонную работу».
Крыши, выполненные из натянутых ПВХ-материалов, могут аккумулировать от 70 до 120 литров воды на 1 квадратный метр площади, измеряемой в зависимости от размеров крыши, степени ее натяжения и качества применяемых листов. Благодаря этому лишние протечки от соседей сверху вам не страшны.
Привычка экономно использовать стиральную машину может вызвать неприятные запахи внутри устройства. Стирка на низких температурах (ниже 60 ºC) и укороченные циклы полоскания позволят грибкам и бактериям оставаться внутри и активно размножаться.
Существуют специальные ловушки для уменьшения численности моли. Лепкие ловушки содержат ферменты для самок, которые привлекают самцов. Прилипая к ловушкам, они лишаются возможности размножаться.
Самый простой способ удалить соль и налет с подошвы утюга — использовать поваренную соль. Насыпьте толстый слой соли на бумагу, разогрейте утюг до максимальной температуры и несколько раз слегка прижмите его к соли.
Посудомоечные машины хорошо моют не только тарелки и чашки, но также пластиковые игрушки, стеклянные фонари и даже грязные овощи, такие как картофель (только без добавления моющего средства).
Свежие лимоны исполняют ценную роль не только в чае: их можно использовать для чистки акриловых ванн или для мытья контейнеров в микроволновой печи, помещая туда дольки лимона и ставя на максимальный режим на 8-10 минут. Размягченная грязь легко вытирается губкой после этого.
Когда на любимой одежде начинаются образовываться катышки, вы можете удалить их с помощью специальной бритвы. Этот инструмент эффективно убирает накопившиеся волокна ткани и возвращает одежде эстетичный вид.
Перед тем как убрать пятна с ткани, нужно выяснить безопасность выбранного растворителя. Протестируйте небольшой участок ткани, нанеся небольшое количество раствора на изнаночную сторону изделия на 5-10 минут. Если все остается без изменений, можно переходить к выведению пятен.
Каждая стиральная машина в какой-то мере подвержена поломкам. Бытовая техника от корейского производителя Samsung не является исключением. Для замены ряда деталей порой нужно разбирать устройство практически полностью. В данной статье мы рассмотрим, как непосредственно разобрать стиральную машину Samsung самостоятельно.

















